电动控制阀门接线图,控制电路图是什么呢?电动阀门接线方式是根据不同的使用要求以及现场工况不同所分类的,不同功能的电动执行器所采用的接线方式也都是不尽相同。用户应当对接线方面的相关知识有所了解,以免出现不必要的故障发生, 一方面导致整个电路短路故障;另一方面,可能会导致机器等烧坏而产生的巨大经济损失,甚至出现更严重的事故。电动阀门执行器按电源电压一般可分交流( AC110V、AC220V、AC380V) , 直流( DC24V、DC12V ) , 按控制方式分为有源开关式、无源开关式、电位计型、调节型等。( 相关产品:电动开关蝶阀电动调节蝶阀电动开关球阀电动调节球阀)
有源开关式,普通开关型带有源灯接线图,无源开关式,开关型无源触点型带反馈接线图,开度式电位计型,开关型带开度式接线图,智能调节式,输入输出4-20mA,智能调节型接线图,交流AV380V,带无源触点反馈,380V电源接线图,直流DC24V,交换正负正开关同时无源信号反馈,24V电源接线图

电动阀门接线方式是根据不同的使用要求以及现场工况不同所分类的,不同功能的电动执行器所采用的接线方式也都是不尽相同。用户应当对接线方面的相关知识有所了解,以免出现不必要的故障发生, 一方面导致整个电路短路故障;另一方面,可能会导致机器等烧坏而产生的巨大经济损失,甚至出现更严重的事故。电动阀门执行器按电源电压一般可分交流( AC110V、AC220V、AC380V) , 直流( DC24V、DC12V ) , 按控制方式分为有源开关式、无源开关式、电位计型、调节型等。( 相关产品:电动开关蝶阀电动调节蝶阀电动开关球阀电动调节球阀)
有源开关式,普通开关型带有源灯接线图无源开关式,开关型无源触点型带反馈接线图,开度式电位计型,开关型带开度式接线图,智能调节式,输入输出4-20mA,智能调节型接线图,交流AV380V,带无源触点反馈,380V电源接线图,直流DC24V,交换正负正开关同时无源信号反馈,24V电源接线图,电动调节阀的动力电源分两种。一种是三相AC380V。一种是AC220V单相电。以单相电为例: 接动力电源线AC220V两根。与电动调节阀的电源端相接。弱电控制线四根。分别为输入两根、输出两根。(信号最常用的有4-20mA,也有0-10V等弱电控制信号) 其中调节阀的输入端按照正负极接系统的控制端。调节阀的输出端按照正负极接系统的反馈端。
电动控制阀门接线图,控制电路图电动阀控制器到阀体之间的接法!控制器的开控制线应该接在阀体的开输入端子上,关控制线接在阀体的关输入端子上,这两个信号应该是干接点信号,其电压应该是24V的或者更高电压的,你没有说明其电压,但我猜是直流24V的,那么将这两个信号的公共端与阀体的公共端连接,第四根反馈信号线是个4~20mA的模拟信号,应该是控制器接收阀体的开度信号的,所以只要接在阀体的相应反馈信号端子上就行了!我认为上述开信号,关信号及反馈信号其电压应该都是24V电压,所以才会有一根公共端信号线!接完线,看看控制器的说明书,设置一下,调试一下就没问题了!搞控制的接线和调试要多琢磨琢磨!
(220V电动阀接线图)
从发电厂输送到市里的电力经过变压器后就是三相四线电.你可以发现电杆上并排挂着四根电线,其中有一根是零线,术语叫中性线(N),其余三根线叫火线.两根火线间电压是380V,一根零线(N)与任意一根火线间电压是220V.如果你生活在城市的大楼,你还可以看到三根火线和一根零线被合理的分配到各个单元.如果你住的那单元空调等电器设备特别的多,电力负荷过大,用电压表测量电压明显比其它用电量小的单元楼电压要低些.严重的造成电器不能正常启动和运转.
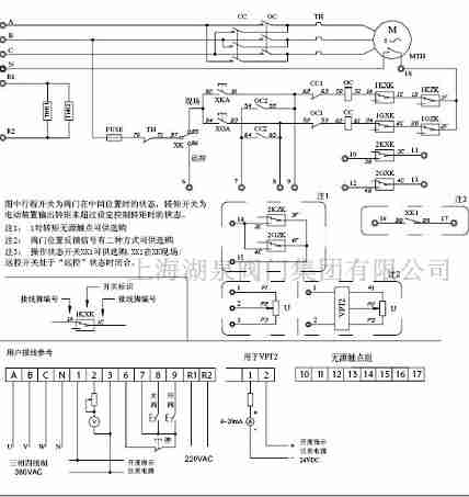
电动蝶阀根据不同的应用场合,可配置不同的电动执行器,他们接线方法也是不同的,比如:开关型、调节型、信号反馈的形式、220V、380V、DC24等等,所以在对电动蝶阀选型时,这些因素都要考虑进去,以下的电动蝶阀接线图是我公司的精小型电动执行器的接线图,客户可根据采购的种类对照接线,有不清楚的地方,请致电我宇柯技术服务部门。
注:每个厂家生产的电动执行器接线方法可能有所不同,所以不在我公司采购的电动蝶阀,请勿以此为接线方法,以免造成电机损坏。
电动控制
阀门接线图,控制电路图220VAC标准开关型电动蝶阀接线图(无源触点信号反?。?20VAC标准调节型电动蝶阀接线图(无源触点信号反馈)220VAC开关型电动蝶阀接线图(电阻值和无源触点信号反?。?80VAC标准开关型电动蝶阀接线图(无源触点信号反?。?20VAC开关型电动蝶阀接线图(4-20mA和无源触点信号反?。模?4V标准开关型电动蝶阀接线图(无源触点信号反馈)首先要看电动阀是什么类型的,是整体型的还是普通型的,如果是整体型电动执行器就接个电源就行了,一般是380V和220V电源,然后根据自己的需要再接开到位和关到位的信号线、还有远控线、阀位反馈信号常用4~20ma,过力矩?;す收闲藕?。普通型电动阀门要配有控制箱,电机就是有正传和反转,还有行程的到位信号一般开到位信号是有常开点和常闭点,关到位也有??统1樟礁龅愀葑约旱男枰酉?,然后就是控制线开控制和关控制有的是4根线也有的厂家用的三根线,还有阀位,有的是用电位器接三根线,也有的装了阀位变送器接两根线,还有过力矩?;す收闲藕?。
电动阀门是由电动执行器和阀体组成的,有很多客户不知道电动阀的接线方式,下面就为大家详细的讲解一下。
六线制电动阀所配精小型电动执行器分为开关式和调节式,并由驱动开关控制和信号反馈控制组成。
开关式六线制电动阀的六个接线端子功能为:1、2、3为驱动控制,4、5、6为信号反馈控制;
1、2接通时,阀门打开,同时保持4、5形成回路,反馈电动阀开到位信号;
1、3接通时,阀门关闭,同时保持4、6形成回路,反馈电动阀关到位信号。
调节式六线制电动阀的六个接线端子功能为:
1、2为电动驱动控制,可接AC220V或DC24V电源电压(如需380V电压则另外说明),
3、4为输入信号控制,可接收4-20mA电流信号或0-10V电压信号
5、6为输出信号反馈控制,可相应的反馈4-20mA电流信号或0-10V电压信号,便于远程操作控制