51一品茶楼,全国茶楼信息网论坛免费网站,淡水一品香论坛qm网,湖南一品楼qm论坛

全国服务热线021-64162222

闸阀知识阀门首页 > 阀门知识 > 闸阀知识 >

电动插板阀、电动插板阀型号、电动插板阀原理图

[ 2021-05-17 ]
一、电动插板阀详细介绍
上海湖泉阀门有限公司电动插板阀主要是由电机,减速机,框架,插板,丝杠,链条,齿轮,控制器等组成,可采用链条式或直连式传动带动插板 上下运行,达到开启与关闭的目的。通常电动插板阀采用法兰连接分为方形法兰与圆形法兰两个系列,有几十个规格尺寸可供 选型,也可根据安装尺寸要求进行定制生产。 方形电动插板阀是一种闸板与阀座始终紧密接触密封的阀门。方形电动插板阀启闭件是闸板,闸板的运动方向与流体方向相垂直,方形电动插板阀只能作全开和全关,不能作调节和节流。闸板有两个密封面,常用的模式闸板阀的两个密封面形成楔形、楔形角随阀门参数而异?!〔灏宸Ь哂薪峁辜虻ソ舸铡⑸杓坪侠?、轻型节材,密封可靠、操作轻便灵活、体积小、通道流畅、流阻小、重量轻、易安装、易拆卸等优点,可在工作压力1.0MPa-2.5MPa,使用温度-29-650℃情况下正常工作。插板阀其闸板具有剪切功能,可刮除密封面上的粘着物,自动清除杂物,不锈钢闸板可防止腐蚀引起的密封泄漏。
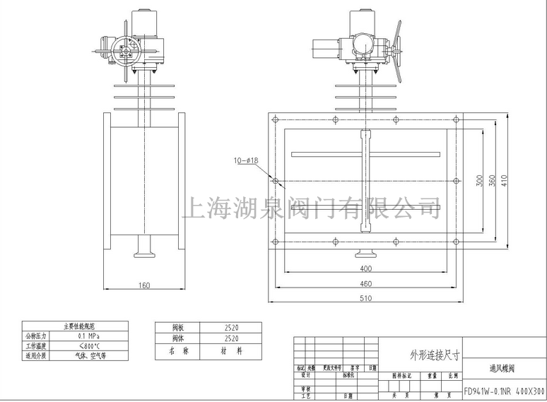
电动插板阀
电液动插板阀适用于建材、冶金、矿山、化工等行业粉尘物料,流量控制的管道和料斗上,是控制粉尘物料流量的理想设备。
电动插板阀的启闭件是闸板,闸板的运动方向与流体方向相垂直,插板阀只能作全开和全关,不能作调节和节流。闸板有两个密封面,   常用的模式闸板阀的两个密封面形成楔形、楔形角随阀门参数而异,通常为50,楔式插板阀的闸板可以做成一个整体,叫做刚性闸板;也可以做成能产生微量变形的闸板,以其工艺性,弥补密封面角度在加工过程中产生的偏差,这种闸板叫做弹性闸板插板阀关闭时,密封面可以只依靠介质压力来密封,即依靠介质压力将闸板的密封面压向另一侧的阀座来密封面的密封,这就是自密封。大部分插板阀是采用强制密封的,即阀门关闭时,要依靠外力强行将闸板压向阀座,以密封面的密封性。插板阀密封结构可以分软密封、硬密封结构。
二、电动插板阀型号
FDC300×300 插板速度(mm/min)300 行程(mm)300 
动力型号XLD-B10-0.55 功 率(kw)0.55 单重(kg)136 
电动插板阀型号FDC400×400 插板速度(mm/min)300 行程(mm)400 
动力型号XLD-B10-0.55 功 率(kw)0.55 单重(kg)163 
电动插板阀型号FDC500×500 插板速度(mm/min)300 行程(mm)500 
动力型号XLD-B11-0.75 功 率(kw)0.75 单重(kg)209 
电动插板阀型号FDC600×600 插板速度(mm/min)378 行程(mm)600 
动力型号XLD-B15-0.75 功 率(kw)0.75 单重(kg)387 
电动插板阀型号FDC700×700 插板速度(mm/min)378 行程(mm)700 
动力型号XLD-B15-1.1 功 率(kw)1.1 单重(kg)417 
电动插板阀外形尺寸表 规格型号 ¢A ¢B ¢C H H A*A B*B C*C H 温度 电动功率 孔径 PH6型 300 260 200 100 160 290 250 200 100 ≤300℃ 0.37 8-φ13 PH8型 320 280 220 100 160 310 270 220 100 0.37 8-φ13 PH10型 340 300 240 100 160 330 290 240 100 0.37 8-φ13 PH12型 360 320 260 100 160 360 310 260 100 0.37 8-φ14 PH14型 380 340 280 100 160 380 330 280 100 0.37 8-φ14 PH16型 400 360 300 100 160 400 350 300 100 0.55 8-φ14 PH18型 420 380 320 100 160 420 370 320 100 0.55 8-φ18 PH20型 440 400 340 100 160 440 390 340 100 0.55 8-φ18 PH26型 500 460 400 100 160 500 450 400 100 0.75 8-φ18 PH30型 540 500 440 120 180 540 490 440 120 0.75 8-φ18 PH40型 660 610 500 120 200 660 610 500 120 0.75 8-φ18 PH50型 730 680 600 120 200 730 680 600 120 1.1 12-φ20
关阀:电液推杆驱动弹簧夹紧机构,使阀板脱开,到位后,行走电装启动,驱动阀板行走由开到关,到位后,电液推杆反向运动,弹簧夹紧机构自动夹紧到位,关阀结束??г蚍粗?,松开夹紧装置采用电动装置驱动,通过链轮、链条与丝杆螺母副连接,驱动波纹管的伸缩来实现阀体密封座夹紧或松开。阀门采用链轮式多点夹紧机构,密封圈为双面密封,安装于阀板上,密封可靠,方便更换。阀板顶部导轨装有纵向和横向移动机构,侧面装有弹簧机构和限位轮。当松开夹紧机构将阀板松开时,弹簧机构顶浮阀板至限位轮。
三、电动插板阀原理图
电动插板阀原理图
1、由阀开启到阀关闭
  夹紧电机动作,带动丝杆作逆时针转动,阀体松开到位(指示灯显示),驱动电机动作,带动闸板作逆时针转动到位,闸板关闭到位(指示灯显示),夹紧电机动作,带动丝杆作顺时针转动,阀体夹紧到位(指示灯显示)完成阀门由开启到关闭的全过程。
2、阀门由关闭到开启
  夹紧电机动作,带动丝杆作逆时针转动,阀体松开到位(指标灯显示),驱动电机动作,带动闸板作顺时针转动,闸板开启支位,(指示灯显示)完成阀门由关闭到开启的全过程。电动插板阀工作原理手动插板阀是用粉料、晶粒料、颗粒料及小块物料的流量,输送量的主要控制设备,螺旋闸门(单向螺旋闸门,双向螺旋闸门)广泛用于冶金、矿山、建材、粮食、化工等行业的库顶、库底及送料口等,是控制流量变化较大,启闭频繁,切断快速的理想设备。是一种闸板与阀座始终紧密接触密封的阀门。方形电动插板阀启闭件是闸板,闸板的运动方向与流体方向相垂直,方形电动插板阀只能作全开和全关,不能作调节和节流。闸板有两个密封面,常用的模式闸板阀的两个密封面形成楔形、楔形角随阀门参数而异。
更多阀门知识:http://www.5735p.cn/tech/
 
 
本文标题:电动插板阀、电动插板阀型号、电动插板阀原理图 本文地址:http://www.5735p.cn/tech-zhafa/2957.html

上一篇:电动闸阀能浸在水里吗?如何检修 / 下一篇:电动闸阀产品检测报告、图例、型号标准尺寸