51一品茶楼,全国茶楼信息网论坛免费网站,淡水一品香论坛qm网,湖南一品楼qm论坛

全国服务热线021-64162222

蝶阀知识阀门首页 > 阀门知识 > 蝶阀知识 >

电动蝶阀原理图__ 220v电动蝶阀原理图__ 电动蝶阀控制原理图

[ 2015-12-15 ]
电动蝶阀有普通型和智能型。普通型,当接通其电机,阀门便开或合,视电机正反转而定;智能型如AC380V的,给其供AC380V后,电机不动,内部控制电路板可以工作。当给其输入4—20mA电流时,做相应动作。4mA时关闭,20mA时打开。而且有4—20mA模拟量反馈信号,以反应它的阀门开度大小。  电动蝶阀由电动执行器和蝶阀组成,电动执行器为90度旋转,有开关和调节式两种控制方式,通过电动执行器旋转带动蝶阀的开启与关闭。具备手动操作功能,在断电时通过手动操作来开关蝶阀。
 
常见的电动蝶阀原理图


电动蝶阀原理图



开关型带有源灯指示电动蝶阀原理图,共有5根接线,1,2,3是控制部分,1,4,5是反馈部分 电动蝶阀原理图
            
  
      
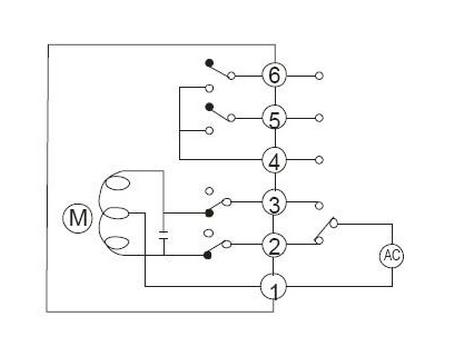
开关型带无源触点型反馈电动蝶阀原理图,1,2,3是控制部分接线,4,5,6为无源触点反馈


            
开关型带开度信号反馈电动蝶阀原理图。1,2,3为控制接线部分,4,5,6为反馈部分,输出0-5K的电阻值,可以选定
电动蝶阀原理图
本文标题:电动蝶阀原理图__ 220v电动蝶阀原理图__ 电动蝶阀控制原理图 本文地址:http://www.5735p.cn/tech-diefa/860.html

上一篇:电动对夹式硬密封蝶阀 / 下一篇:电动阀门控制器