上海湖泉阀门集团有限公司
通风调节电动蝶阀生产公司、电动通风蝶阀生产厂家 启闭灵活,密封性好,风量可调.免费提供电动通风蝶阀生产厂家 技术支持,阀门资料,选型报价,欢迎咨询!专业生产蝶阀生产厂家,电动通风调节蝶阀为我公司专业主打产品之一,厂家直接对接用户,价格优势明显,性价比高。质量可靠安全保证?;队愦罂突袄醋裳?..广泛用于城市给水排水,冶金,石油,化工,灌溉,电力,纺织等行业水处理构筑物上.以实现流量和液面水位的控制是给排水和污水处理的重要设备.电动通风蝶阀欢迎咨询!

我公司
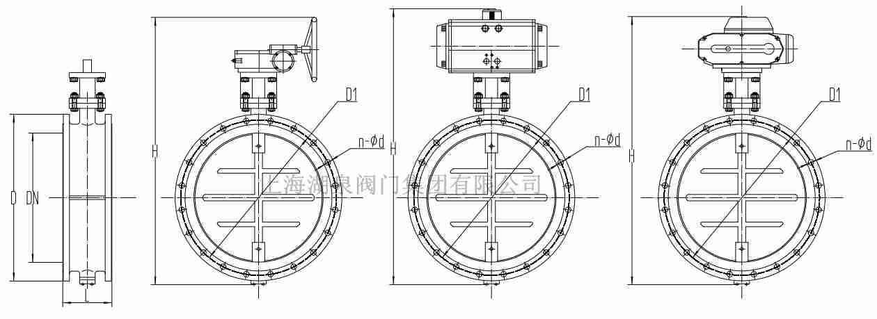
电动通风蝶阀由角行程电动执行机构和蝶阀组成,它与电动单元组合仪表配合使用。电动通风蝶阀具有结构简单、口径大、重量轻、 操作方便等优点。拥有20余年历史的电动阀门和电动执行器厂家,产品有电动蝶阀,电动球阀、电动闸阀、电动截止阀、电动调节阀及电动执行器等,提供的电动/气动阀门(蝶阀,球阀,闸阀,截止阀,调采用一体式电动执行器和蝶阀组成 输入220V电源即可直接进行开关量调节,亦可内置伺服???输入控制信号(4~20mADC或1~5VDC)及单相电源即可控制运转,通风蝶阀的用途 通风蝶阀是一种非密闭型蝶阀,广泛适用于建材、冶金、矿山、电力等生产过程种介质温度≤300℃公称压力为0.1Mpa的管道上,用以连通、启闭或调节介质量。

通风蝶阀分为手动和电动传动,可由电动机或者涡轮带动驱动执行机构,使碟板在90°范围内自由转动以达到启闭或调节介质流量的目的。通风、环保工程的含尘冷风或热风气体管道中,作为气体介质调节流量或切断...

本公司生产的电动蝶阀根据客户的要求,可以选择精小型、LQ型、QT型、802型及配有蜗轮减速箱的DZW型。其中802型及配有蜗轮减速箱的DZW型适用于大口径蝶阀,功率高,输出扭矩大,运行稳定。本公司生产的蝶阀也可以完美兼容国外品牌的电动执行器。具体参数可以参考执行器系列。
根据不同控制和要求可选用不同配置的附加功能:
控制形式选用:开关型、调节型、整体开关型、智能调节型
适用环境选用:普通型、浸水型、防爆型、隔爆煤安型
电压选用:AC220V、AC380V、DC24V;特殊电压AC24V、AC110V、AC440V、AC660V

通风调节电动蝶阀生产公司【密封材料选用和适用温度】
|
材料品种 |
碳素钢 |
低温碳钢 |
合金钢 |
奥氏体不锈钢 |
铬钼钢 |
|
代号 |
WCB |
LCB |
WC6或 WC9 |
C5或C12 |
铬Cr-18型、304、316 |
12CrMoV |
|
耐最高温度 |
425℃ |
345℃ |
595℃ |
650℃ |
600℃ |
560℃ |
|
耐最低温度e |
-29℃ |
-46℃ |
-29℃ |
-29℃ |
-196℃ |
-40℃ |
|
适用工作温度 |
≤425℃ |
≤345℃ |
≤595℃ |
≤650℃ |
≤600℃ |
≤560℃ |