51一品茶楼,全国茶楼信息网论坛免费网站,淡水一品香论坛qm网,湖南一品楼qm论坛

全国服务热线021-64162222

电动执行器阀门首页 > 产品展示 > 电动执行器 >

产品名称:qb矿用隔爆整体型阀门电动装置[ 2024-04-18 ]

订购热线:021-64162222
订购传真:021-62677999
质量稳定:实行全过程质量监控,细致入微全方位检测!
价格合理:高效内部成本控制,减少了开支,让利于客户
交货快捷:先进生产流水线,充足的备货,缩短了交货期!
  • 产品介绍
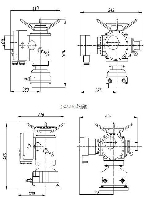
  • 规格尺寸
  • 结构图片
  • 一、qb矿用隔爆整体型阀门电动装置介绍

    上海湖泉阀门集团有限公司QB系列矿用隔爆型阀门电动装置是针对煤矿使用条件而专门设计和制造的。适用阀板做90度回转的阀门,如蝶阀、风门等。与KXBC矿用隔爆型阀门电动装置控制箱相互配套后,可与DCS系统衔接,以实现自动化控制。
    阀门电动装置


    矿用阀

    电动阀门
  • qb矿用隔爆整体型阀门电动装置
  • 电动阀厂家

上一篇:矿用隔爆型阀门电动装置(煤矿井下自动隔爆装置厂家) / 下一篇:矿用隔爆型部分回转阀门电动装置